 
                     BX43W-1.0P/R/C二通保溫旋塞閥
BX43W二通保溫旋塞閥的應用旋塞閥已廣泛應用于石油、化工、液化氣、食品、制藥、城建、等各部門,以及人們日常生活中,由明科閥門自主研發生產的旋塞閥質量可靠、價格合理、售后服務完善。適用于各種輕重工業及樓宇管道。
下一個產品:BX44W三通保溫旋塞閥
上一個產品:X14W-1.0T三通內螺全銅旋塞閥
                    
	


 
 
BX43W二通保溫旋塞閥概述:
BX43W二通保溫旋塞閥的應用旋塞閥已廣泛應用于石油、化工、液化氣、食品、制藥、城建、等各部門,以及人們日常生活中,由明科閥門自主研發生產的旋塞閥質量可靠、價格合理、售后服務完善。適用于各種輕重工業及樓宇管道。
BX43W二通保溫旋塞閥產品特點:
1、適用于經常操作,啟閉迅速、輕便。
2、流體阻力小。
3、結構簡單,相對體積小,重量輕,便于維修。
4、密封性能好。
5、不受安裝方向的限制,介質的流向可任意。
6、無振動,噪聲小。
	
	      
    
 
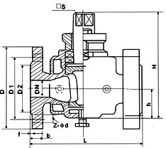
二通保溫旋塞閥型號規格尺寸
| 
						型號
					 | 
						公稱壓力 PN(MPa) | 
						試驗壓力PS(MPa)
					 | 
						工作壓力 P(MPa) | 
						適用介質
					 | 
						工作溫度 (℃) | |
| 
						殼體
					 | 
						密封
					 | |||||
| 
						BX43W-1.0P
					 | 
						1.0
					 | 
						1.5
					 | 
						1.1
					 | 
						1.0
					 | 
						硝酸類等
					 | 
						≤250
					 | 
| 
						BX43W-1.0C
					 | 
						1.0
					 | 
						1.5
					 | 
						1.1
					 | 
						1.0
					 | 
						非腐蝕、弱腐蝕
					 | 
						≤200
					 | 
二通保溫旋塞閥安裝尺寸
| 
						口徑(DN)
					 | 
						L
					 | 
						D
					 | 
						D1
					 | 
						D2
					 | 
						z-φd
					 | |
| 
						20
					 | 
						90
					 | 
						150
					 | 
						105
					 | 
						75
					 | 
						55
					 | 
						4╳14
					 | 
| 
						25
					 | 
						110
					 | 
						160
					 | 
						115
					 | 
						85
					 | 
						65
					 | 
						4╳14
					 | 
| 
						32
					 | 
						115
					 | 
						190
					 | 
						135
					 | 
						100
					 | 
						78
					 | 
						4╳18
					 | 
| 
						40
					 | 
						150
					 | 
						200
					 | 
						145
					 | 
						110
					 | 
						85
					 | 
						4╳18
					 | 
| 
						50
					 | 
						170
					 | 
						220
					 | 
						160
					 | 
						125
					 | 
						100
					 | 
						4╳18
					 | 
| 
						65
					 | 
						220
					 | 
						280
					 | 
						180
					 | 
						145
					 | 
						120
					 | 
						4╳18
					 | 
| 
						80
					 | 
						250
					 | 
						300
					 | 
						195
					 | 
						160
					 | 
						135
					 | 
						4╳18
					 | 
| 
						100
					 | 
						300
					 | 
						340
					 | 
						215
					 | 
						180
					 | 
						155
					 | 
						8╳18
					 | 
| 
						125
					 | 
						350
					 | 
						245
					 | 
						210
					 | 
						185
					 | 
						8╳18
					 | |
| 
						150
					 | 
						400
					 | 
						280
					 | 
						240
					 | 
						210
					 | 
						8╳23
					 | |
| 
						200
					 | 
						450
					 | 
						335
					 | 
						295
					 | 
						265
					 | 
						8╳23
					 | |
| 
						250
					 | 
						530
					 | 
						390
					 | 
						350
					 | 
						320
					 | 
						8╳23
					 | |
| 
						300
					 | 
						580
					 | 
						440
					 | 
						400
					 | 
						368
					 | 
						8╳23
					 | |
主要零件
| 
						零件名稱
					 | 
						閥體、塞子
					 | 
						填料
					 | 
| 
						BX43W-1.0P BX43W-1.0R | 
						不銹鋼
					 | 
						石墨盤根+304
					 | 
| 
						BX43W-1.0C
					 | 
						鑄鋼
					 | 
三精閥門售后服務承諾
對于貴公司在三精閥門訂購閥門產品,我廠在售后服務方面作如下承諾:
一、我公司對產品質量實行三包,即:包質、包換、保修;
二、合同簽訂后,保證保質、保量,按時交貨;
三、本公司確保所提供閥門產品達到合同指標
四、對于需方的技術咨詢,隨時給予解答;
五、在交付設備時,本廠向需方交付以下資料:發貨清單、產品合格證、產品樣本、產品使用說明書、技術資料;
當接到用戶反應質量問題的信函或電話后,保證24小時內作出答復最快解決問題。
	 
 
	



 
 
相關產品
                    
                
                                 
                                 
                                 
 
 
 
 
 
 
 
 
