 
                     DDC-JQ型電磁真空帶充氣閥
	


 
DDC-JQ型電磁真空帶充氣閥
	 
 
DDC-JQ型-電磁真空帶充氣閥概述
DDC-JQ型電磁真空帶充氣閥是機械真空泵安全閥,安裝于機械真空泵的進氣口,并與泵同步開啟和關閉。當泵停止工作或電源突然中斷時,閥門自動關閉,使真空系統保持真空并將大氣充入泵腔內,從而避免泵油逆向流動而污染真空系統。適用介質為純凈空氣或非腐蝕性氣體。
DDC-JQ electromagnetic vacuum belt inflatable valve is a mechanical vacuum pump safety valve, installed in the mechanical vacuum pump inlet, and synchronously open and close with the pump. When the pump stops working or the power supply suddenly interrupts, the valve automatically closes, so that the vacuum system keeps vacuum and fills the air into the pump cavity, thereby avoiding the reverse flow of pump oil and polluting the vacuum system. The applicable medium is pure air or non corrosive gas.
DDC-JQ型電磁真空帶充氣閥主要技術性能
| 適用范圍:Applicability | 105~10-2Pa | 
| 閥門漏率:Valve Leak Rate | ≤6.7×10-3Pa.L/S. | 
| 適用溫度:Applicability | -30~+50℃ | 
| 線圍溫升:Coil Temperature Rise | ≤65℃ | 
| 開閉時間:Open-close Time | ≤3S | 
| 電源電壓:Mains Voltage | 220V/50Hz | 
DDC-JQ型電磁真空帶充氣閥主要零件材料
閥體、閥蓋、閥板:碳鋼或鋁合金
Body, bonnet, valve plate: carbon steel or aluminum alloy.
密封圈:丁腈橡膠
Sealing ring: nitrile rubber
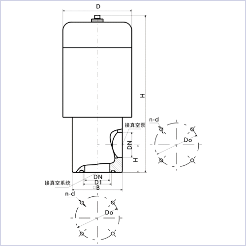
DDC-JQ型電磁真空帶充氣閥外形及連接尺寸
	 
 
| 
					Model 型號 | 
					DN
				 | 
					h
				 | 
					B
				 | 
					H
				 | 
					D
				 | 
					Do
				 | 
					D1
				 | 
					n-d
				 | 
					Machineal pump 機械泵匹配參考 | 
| 
					DDC-JQ16
				 | 
					16
				 | 
					28
				 | 
					48
				 | 
					176
				 | 
					68
				 | 
					42
				 | 
					22
				 | 
					4-M5
				 | 
					2XZ-0.5~1
				 | 
| 
					DDC-JQ25
				 | 
					25
				 | 
					35
				 | 
					58
				 | 
					199
				 | 
					82
				 | 
					55
				 | 
					29
				 | 
					4-M6
				 | 
					2XZ-2~4
				 | 
| 
					DDC-JQ32
				 | 
					32
				 | 
					40
				 | 
					68
				 | 
					222
				 | 
					92
				 | 
					64
				 | 
					36
				 | 
					4-M6
				 | 
					2XZ-4
				 | 
| 
					DDC-JQ40
				 | 
					40
				 | 
					44
				 | 
					80
				 | 
					253
				 | 
					110
				 | 
					70
				 | 
					44
				 | 
					4-M6
				 | 
					2XZ-8
				 | 
| 
					DDC-JQ50
				 | 
					50
				 | 
					56
				 | 
					94
				 | 
					294
				 | 
					124
				 | 
					90
				 | 
					55
				 | 
					4-M8
				 | 
					2X-15
				 | 
| 
					DDC-JQ65
				 | 
					65
				 | 
					65
				 | 
					115
				 | 
					320
				 | 
					135
				 | 
					105
				 | 
					70
				 | 
					4-M8
				 | 
					2X-30
				 | 
| 
					DDC-JQ80
				 | 
					80
				 | 
					75
				 | 
					140
				 | 
					367
				 | 
					165
				 | 
					125
				 | 
					85
				 | 
					4-M8
				 | 
					2X-70
				 | 
相關真空閥門系列:
| GDC-J電磁高真空擋板閥 | 
| DDC-JQ型電磁真空帶充氣 | 
| 真空管道連接件 | 
| GM高真空壓力隔膜閥 | 
| DDC-JQ電磁真空帶充氣閥 | 
| DYC-JQ電磁真空壓差閥 | 
| CC超高真空插板閥 | 
| CCD 電動超高真空插板閥 | 
| CCQ型-氣動超高真空插板閥 | 
| GUD系列電動真空球閥 | 
| GDC-5 電磁高真空擋板閥 | 
| DDC-JQ型-電磁真空帶充 | 
| GDQ氣動高真空擋板閥 | 
| GI高真空蝶閥 | 
| GID電動高真空蝶閥 | 
| GIQ氣動高真空蝶閥 | 
| GU手動真空球閥 | 
| GUD電動真空球閥 | 
| GUQ氣動真空球閥 | 
| GUD系列電動真空球閥 | 
| GD高真空擋板閥 | 
	 
	



 
 
                                 
 
 
 
