 
                     Q944F電動三通球閥
品牌:三精閥門
	
閥門型號:Q944F/H,Q945F/H,Q914F/H,Q915F/H
通徑規格:法蘭DN15~DN200,螺紋DN15-DN50
結構形式:三通L型、三通T型
閥體材質:鑄鋼WCB、不銹鋼304、不銹鋼316
公稱壓力:PN16、PN25、PN40、PN64
適用溫度:-40℃~450℃
應用范圍:水,氣體,蒸汽,燃氣,油品、腐蝕性介質等
產品特點:一閥多用,既能換向也能分配、合流、分流,可用范圍廣
	
	
	


 
 
電動三通球閥概述
電動三通球閥是一種可對三條管路介質進行換向、分流或合流的三通切換型調節球閥,一般有法蘭或內螺紋連接方式,根據不同流向切換要求球芯可設計為L型和T型結構,從而實現對管道中流體各種不同組合的控制形式。電動三通球閥不僅能對兩條相互垂直的通道進行切換或截斷,也能關閉任一通道,使另外兩個通道連通,靈活控制管路中介質的合流或分流。選用不同功能的執行裝置,可滿足不同工況的使用要求,廣泛用于電力、環保、供水、蒸汽、機械設備等工業系統中作兩位切斷或比例式調節使用。
	 
 
電動三通球閥優點
1,電動三通球閥兼備開關切斷和智能比例式調節功能,不僅可截斷流體,也可以對壓力,流量及溫度等參數進行調整。
2,可用功能多,既能分配也能換向,適用于液休、氣體、蒸汽等介質的配比調節與控制。
3,可用范圍廣,一閥多用,任一通口可用作入口而無泄漏,三通既可制成L型通口,也可制成T型通口。
4,可分為電動法蘭三通球閥和電動內螺紋三通球閥,滿足不同工況里管道的連接。
電動三通球閥技術參數
| 公稱通徑 | DN15~DN200(mm) | ||
| 公稱壓力 | PN1.6、2.5、4.0、6.4MPa | ||
| 連接形式 | 法蘭式、螺紋連接 | ||
| 閥芯形式 | O型球型閥芯 | ||
| 驅動方式 | 電動控制(可帶手動手輪) | ||
| 結構形式 | 三通L型、三通T型 | ||
| 電源電壓 | AC220V、AC380V(其他定制DC24等) | ||
| 閥體材質 | 碳鋼WCB、不銹鋼304、316、316L | ||
| 球芯材質 | 碳鋼WCB、不銹鋼304、316、316L | ||
| 可調范圍 | 15-60秒(可定制) | ||
| 適用溫度 | -40℃~450℃ | ||
| 執行機構 | 
						開關型(開關兩位模式)、智能調節(4~20mA模擬量信號控制)、可選防爆系列型
					 | ||
	
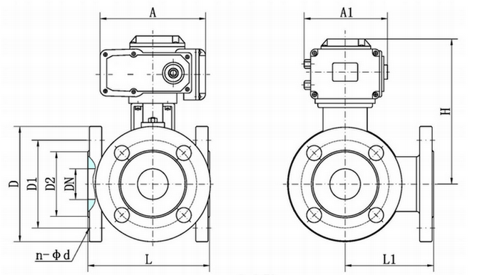
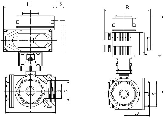
|  電動法蘭三通球閥結構圖 |  電動內螺紋三通球閥結構圖 | 
電動三通球閥流向原理說明
	電動三通球閥根據流向切換要求一般分為L型結構和T型結構,介質流通方向可切換為多種形式。L型電動三通球閥適用于介質流向的切換,能使相互垂直的兩個通道相互連通,T型電動三通球閥適用于介質的分流、合流或流向切換。 
 
	 
 
	 
 
	 
 
	

 
 
 
                                 
                                 
                                 
 
 
 
 
 
 
 
 
