 
                     VQ677F氣動V型球閥
品牌:三精閥門
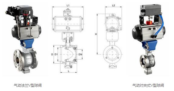
閥門型號:VQ677F,VQ677H,VQ677Y
通徑規格:DN25~DN300
結構形式:V型球芯
閥體材質:鑄鋼WCB、不銹鋼304、不銹鋼316
公稱壓力:PN16、PN25、PN40、PN64
適用溫度:-40~450℃
應用范圍:泥漿、纖維、含有微小固體懸浮物介質
產品特點:動作靈敏,具有卓越的切斷性能和調節性能,適用范圍廣
		
	
		
	
	


 
 
氣動V型球閥概述
氣動V型球閥是一種球芯為V型結構的調節球閥,閥芯是1/4球殼,開有V型缺口,流通能力大,具有剪切力,能關閉嚴密等特點。氣動V型球閥根據V型球芯與管道形成的V型角度,隨著球的旋轉,可使用中間開度面積的變化進行流量調節,并可切斷流體中夾雜的雜質而關閉,適用于紙漿、砂漿、粘性流體的控制。
	 
 
氣動V型調節球閥應用
氣動V型球閥具有良好的切斷性能和調節性能,廣泛適用于控制紙漿、污水、含有纖維和固體顆粒懸濁介質以及高溫蒸汽、干氣體等介質,特 一般情況下V型球閥都是單密封球閥,不適合用來雙向使用。
氣動V型球閥特點
1、氣動V型調節球閥有近似等百比的固有流量特性及直線特性;采用雙軸承結構,啟動扭矩小,具有極好的靈敏度和感應速度;
2、氣動V型球閥球芯上帶有V型切口,在關閉時,V型缺口與硬密封閥座產生較強剪切力,可將含有纖維性介質切斷,并有效防止球芯卡死;
3、氣動V型調節球閥具有一個V型閥芯結構,即使在小流量或高粘度介質的工況中,也可在整個量程范圍內,保證控制的精準性和精確性;
4、氣動V型球閥一般與閥門定位器及其它附件配套使用,適用于各種調節場合,額定流量系數大,調節性能靈敏,,可調范圍大可豎臥安裝。
氣動V型調節球閥技術參數
| 公稱通徑 | DN25~DN300(mm) | 
| 公稱壓力 | PN1.0、1.6、2.5、6.4MPa | 
| 連接方式 | 法蘭式、對夾式 | 
| 驅動形式 | 壓縮空氣4-7bar,可帶手動裝置 | 
| 溫度范圍 | 
						軟密封:-30~180℃;硬密封:-40~450℃
					 | 
| 閥芯結構 | V字型切口球芯 | 
| 密封材料 | 增強聚四氟乙烯 對位聚苯 金屬密封 | 
| 閥體材質 | 碳鋼WCB、不銹鋼304、316、316L | 
| 作用形式 | 單作用(彈簧復位)、雙作用(氣開氣關) | 
| 控制方式 | 開關兩位切斷、精準調節型4-20mA模擬信號(均可選防爆) | 
氣動V型調節球閥作用
氣動V型球閥按密封性能分為軟密封和硬密封,軟密封一般使用低壓常溫場所,而硬密封可應用于常溫及高溫高壓管路中。根據控制方式分為調節型和開關切斷型,開關型型按作用形式可分為單作用和雙作用式,而調節型應當選用雙作用式,單作用執行器的獨特優點是一旦氣源失氣或管道故障的情況下,氣動V型球閥將按控制系統的要求自動復位到閥門關閉或開啟的狀態。
		
	
		 
 
	
		 
 
	
		 
 
	
		

 
 
	
 
                                 
                                 
                                 
 
 
 
 
 
