 
                     SD44X手動快開排泥閥
品牌:三精閥門
型號:SD44X
公稱壓力:1.0MPa
適用介質:水、污水、泥沙
適用溫度:常溫
閥體齒輪材料:碳鋼
齒輪架:HT200
閥桿材料:不銹鋼
閥瓣材料:襯膠板NBR
	


 
SD44X手動快開排泥閥概述
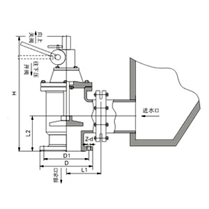
SD44X手動快開排泥閥主要用于自來水公司各類水池外,排泥閥主用以排除池底泥沙或污物。本閥由主閥、齒輪箱、齒條手柄、擋位等組成。工作時只要把手柄往下按定位就可以開啟,相反就快速關閉。
SD44X手動快開排泥閥技術參數
公稱壓力:1.0MPa
適用介質:水、污水、泥沙
適用溫度:常溫
閥體齒輪材料:碳鋼
齒輪架:HT200
閥桿材料:不銹鋼
閥瓣材料:襯膠板NBR
SD44X手動快開排泥閥主要外形尺寸
		 
 
	
| 公稱通徑 DN(mm) | 主要尺寸(mm) | |||||
| H | L1 | L2 | D | D1 | Z-d | |
| 80 | 450 | 135 | 125 | 195 | 160 | 4-18 | 
| 100 | 490 | 165 | 125 | 215 | 180 | 8-18 | 
| 150 | 670 | 205 | 145 | 280 | 240 | 8-23 | 
| 200 | 760 | 220 | 185 | 335 | 295 | 8-23 | 
| 250 | 825 | 260 | 205 | 390 | 350 | 12-23 | 
	 
	



 
 
                                 
 
 
 
