 
                     G41J襯膠隔膜閥,鑄鐵隔膜閥
	


 
 
G41J-10襯膠隔膜閥
| 襯膠隔膜閥型號:G41J | 襯膠隔膜閥通徑:15MM-300MM | 襯膠隔膜閥使用壓力:1.0MPA -1.6MPA | 
| 襯膠隔膜閥連接方式:法蘭連接 | 襯膠隔膜閥操作方式:手動 | 襯膠隔膜閥主要功能:起開關作用 | 
| 襯膠隔膜閥使用介質:耐腐蝕介質 | 襯膠隔膜閥材質:外鑄鐵內襯膠 | 襯膠隔膜閥標準:機械部標準或定做非標 | 
	
	 
 
BS 5156標準。 驅動方式:手動、氣動(常開或常閉)、電動。法蘭連接隔膜閥 設計與制造符合中國國家標準基本結構形式:堰式,直流式 公稱壓力PN0.6~1.0(Mpa) 公稱能徑DN15-400(mm)
| 手動 | G41J(堰式) | 手動 | G641J(往復式) | 
| G41F5(堰式) | G641F5(往復式) | ||
| G45J(直流式) | G6B41F(常閉式) | ||
| G45F5(直流式) | G6B41F5(常閉式) | ||
| 電動 | G9B41J(防爆式) | 電動 | G941J(普通型) | 
| G9B41F5(防爆式) | G941F5(普通型) | 
| 遵循規范 | STANDARD | 
| 設計與制造 | GB12239 | 
| 結構長度 | GB1221/JB1688 | 
| 法蘭尺寸 | JB78/JB79(GB HG SH) | 
| 壓力試驗 | GB/T13927 | 
| 標簽 | GB12220 | 
| 供貨 | GB/T12252 | 
襯膠手動隔膜閥主要零部件材料表:
| 序號 | 零件名稱 | 灰鑄鐵 | 鑄鋼 | 不銹鋼 | 超低碳鋼 | ||
| Z | C | P | R | PL | RL | ||
| 1 | 閥體、閥蓋、閥瓣 | HT250 | WCB | CF8 | CF8M | CF3 | CF3M | 
| 2 | 閥桿 | 35 | 1Cr13 | 1Cr18Ni19Ti | 1Cr18Ni12Mo2Ti | 00Cr18Ni10 | 00Cr17Ni14Mo2 | 
| 3 | 襯里層 | FEP(F46) PFA PCTFE(F3) | |||||
| 4 | 隔膜 | FEP(F46)/CR(氟丁橡膠) PFA(可溶性聚四氟乙烯)/FPDM(乙丙橡膠) | |||||
| 5 | 閥桿螺母 | ZCuAL10Fe3 ZCuAL10Fe3 | |||||
| 6 | 螺栓 | 35 | 35 | 1Cr17Ni2 | 1Cr17Ni2 | 1Cr17Ni9Ti | 1Cr17Ni9Ti | 
| 7 | 螺母 | 45 | 45 | 0Cr18Ni9 | 0Cr18Ni9 | 0Cr18Ni9 | 0Cr18Ni9 | 
| 8 | 手輪 | HT200 | HT200 | WCC | WCC | WCC | WCC | 
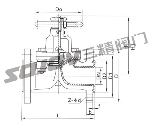
襯膠手動隔膜閥外形連接尺寸及重量:
	 
 
| 型號 | 公稱通徑DN(mm) | 尺寸(㎜) | |||||||||
| L | D | D1 | D0 | Z-φd | H | H1 | H2 | H3 | 
						重量 | ||
| G41J10 | 15 | 125 | 95 | 65 | 120 | 4-φ14 | - | - | - | - | 3.8 | 
| 20 | 135 | 105 | 75 | 120 | 4-φ14 | - | - | - | - | 4.2 | |
| 25 | 145 | 115 | 85 | 120 | 4-φ14 | 121 | 135 | - | - | 4.5 | |
| 32 | 160 | 1135 | 100 | 120 | 4-φ18 | 132 | 150 | - | - | 7 | |
| 40 | 180 | 145 | 110 | 140 | 4-φ18 | 156 | 176 | - | - | 9 | |
| 50 | 210 | 160 | 125 | 140 | 4-φ18 | 169 | 195 | - | - | 12 | |
| 65 | 250 | 180 | 145 | 200 | 4-φ18 | 202 | 236 | - | - | 18 | |
| 80 | 300 | 195 | 160 | 200 | 4-φ18 | 216 | 256 | - | - | 24.5 | |
| 100 | 350 | 215 | 180 | 280 | 8-φ18 | 270 | 322 | - | - | 38.5 | |
| 125 | 400 | 245 | 210 | 320 | 8-φ18 | 338 | 406 | - | - | 60 | |
| 150 | 460 | 280 | 240 | 320 | 8-φ23 | 384 | 464 | - | - | 82 | |
| G41J | 200 | 570 | 335 | 295 | 400 | 8-φ23 | 518 | 638 | - | - | 149 | 
| 250 | 680 | 390 | 350 | 500 | 12-φ23 | 598 | 734 | - | - | 240 | |
| 300 | 790 | 440 | 400 | 560 | 12-φ23 | 698 | 778 | - | - | 350 | |
| 350 | 900 | 500 | 460 | 560 | 16-φ23 | 723 | 883 | - | - | 392 | |
| 400 | 1000 | 565 | 515 | 640 | 16-φ25 | 868 | 1078 | - | - | 585 | |
| G45J-10 | 32 | 180 | 135 | 100 | 120 | 4-φ18 | - | - | - | - | 7 | 
| 40 | 180 | 145 | 110 | 140 | 4-φ18 | - | - | 203 | 216 | 8.5 | |
| 50 | 210 | 160 | 125 | 140 | 4-φ18 | - | - | 213 | 229 | 14 | |
| 65 | 250 | 180 | 145 | 200 | 4-φ18 | - | - | 248 | 268 | 18 | |
| 80 | 300 | 195 | 160 | 200 | 4-φ18 | - | - | 281 | 305 | 30 | |
| 100 | 350 | 215 | 180 | 280 | 8-φ18 | - | - | 332 | 362 | 43 | |
| 125 | 400 | 245 | 210 | 320 | 8-φ18 | - | - | - | - | 67 | |
| 150 | 460 | 280 | 240 | 320 | 8-φ23 | - | - | 450 | 496 | 80 | |
| 200 | 570 | 335 | 295 | 400 | 8-φ23 | - | - | 594 | 654 | 150.2 | |
| 250 | 680 | 390 | 350 | 500 | 12-φ23 | - | - | 695 | 771 | 238 | |
三精閥門公司訂貨須知:
①襯膠 隔膜閥 產品名稱與型號②襯膠 隔膜閥 口徑③ 襯膠 隔膜閥 是否帶附件以便我們的為您正確選型④襯膠 隔膜閥的使用壓力⑤襯膠 隔膜閥的使用介質的溫度。若已經由設計單位選定三精公司的襯膠 隔膜閥型號,請按襯膠 隔膜閥型號直接向我司銷售部訂購。三、當使用的場合非常重要或環境比較復雜時,請您盡量提供設計圖紙和詳細參數,由我們的三精閥門公司專家為您審核把關。感謝您訪問我們的網站【http://www.dashazhu.cn三精閥門公司】如有任何疑問.您可以致電給我們,我們一定會盡心盡力為您提供優質的服務。
上一篇:G46J-10直流式襯膠隔膜 下一篇:衛生級隔膜閥G41W
	 
 
	



 
 
 
                                 
                                 
                                 
 
 
 
 
 
 
 
 
