 
                     CCD電動超高真空插板閥
	


 
CCD型電動超高真空插板閥概述
CCD Electric Ultra-high Vacuum Gate Valve
CCD型電動超高真空插板閥是通過電動裝置驅動閥桿帶動閥板作上下運動,達到閥門的開啟或關閉。閥門用于接通或切斷真空管路中的氣流。適用介質為純凈空氣和非腐蝕性氣體,帶反饋信號裝置。
CCD electric ultra-high vacuum gate valve uses electric device to drive the stem, moving valve disc up and down to make the valve opened or closed. It is used to put through or cut off the airflow in vacuum pipeline. Applicable medium can be pure air and noncorrosive gases. With signal feedback device.
CCD型電動超高真空插板閥主要技術性能
Main Technical Performance
| 適用范圍:Applicability | 105~1.3×10-7Pa | 
| 閥門漏率:Valve Leak Rate | ≤1.3×10-7Pa.L/S.(DN≤200) ≤6.7×10-7Pa.L/S.(DN≥250) | 
| 適用溫度:Applicable Temperature | -30~+150℃ | 
| 閥門開啟時閥板兩側的壓差: The differential pressure between the two sides of valve disc upon valve opening: | ≤2.7×103Pa. | 
| 電源:Valve of power | 220V/50Hz | 
主要零件材料
Materials of Main Parts
	閥體、閥板:不銹鋼
密封件:氟橡膠、波紋管(軸封)、丁腈橡膠。
Body, and disc: stainless steel
Sealing element: Viton, bellows(shaft seal), NBR
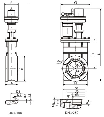
外形及連接尺寸(mm)
Overall and Connection Dimensions(mm)
	 
 
| Model 型號 | DN | A | H | D | Do | D1 | D2 | D3 | L | L1 | G | E | n-d | 法蘭標準 | 
| CCD-50 | 50 | 60 | 92 | 89 | 72.4 | 61.6 | 55.6 | 515 | 153 | 220 | 124 | 8-M8 | GB6071 | |
| CCD-63 | 63 | 65 | 105 | 114 | 92.1 | 82.6 | 76.6 | 566 | 180 | 220 | 124 | 8-M8 | ||
| CCD-80 | 80 | 65 | 130 | 130 | 110 | 99 | 93 | 603 | 200 | 220 | 124 | 16-M8 | ||
| CCD-100 | 100 | 70 | 152 | 152 | 130.2 | 120.7 | 114.7 | 653 | 267 | 220 | 124 | 16-M8 | ||
| CCD-150 | 150 | 70 | 202 | 202 | 181 | 171.5 | 165.5 | 771 | 350 | 270 | 150 | 20-M8 | ||
| CCD-200 | 200 | 80 | 251 | 253 | 231.8 | 222.3 | 216.6 | 889 | 424 | 270 | 150 | 24-M8 | ||
| CCD-250 | 250 | 85 | 300 | 314 | 288 | 308 | 275 | 271 | 1127 | 574 | 350 | 200 | 24-M10 | JB5278 | 
| CCD-300 | 300 | 85 | 352 | 365 | 338 | 353 | 323 | 318 | 1197 | 613 | 400 | 200 | 32-M10 | |
| CCD-320 | 320 | 85 | 372 | 385 | 357 | 379 | 344 | 340 | 1220 | 613 | 440 | 200 | 36-M10 | JB5278 | 
| CCD-400 | 400 | 110 | 456 | 497 | 454 | 480 | 440 | 436 | 1480 | 810 | 536 | 200 | 36-M12 | |
| CCD-500 | 500 | 135 | 595 | 590 | 555 | 580 | 540 | 536 | 1580 | 870 | 640 | 220 | 40-M12 | |
| CCD-630 | 630 | 135 | 690 | 700 | 658 | 680 | 639 | 635 | 1730 | 960 | 780 | 220 | 40-M16 | |
| CCD-800 | 800 | 150 | 880 | 890 | 855 | 880 | 835 | 831 | 1960 | 1100 | 950 | 220 | 60-M16 | 
	 
	



 
 
                                 
 
 
 
 
 
 
 
 
