 
                     藍式過濾器
	


 
 
藍式過濾器概述:
三精藍式過濾器用油或其它液體管道上,過濾管道里的雜物,過濾孔面積比通徑管面積大于2-3倍.遠遠超過Y型、T型過濾器過濾面積。過濾器精度在過濾器中屬于一種精度最佳的過濾器,濾網結構與其它過濾網不一樣。
藍式過濾器工作原理:
管道在安裝時會有其它雜物帶入管道,在生產中原材料中也含有雜物。管道里液體經過過濾器時它的污物由過濾器收藏到濾網中,在一定的程度時打開殼蓋清理濾網即可。
藍式過濾器技術參數:
工作壓力:1.6-5.0Pa
介質:油、水、氣
殼體:鋼管焊制
過濾精度:0.22-1.0mm
濾芯、濾網:304材料
藍式過濾器外型連接尺寸: 1.6MPa
	  
 
1.6MPa連接尺寸
| DN | φ | L | H1 | H | W | 
| 25 | 89 | 220 | 90 | 260 | R1/2 | 
| 32 | 89 | 220 | 95 | 270 | R1/2 | 
| 40 | 114 | 280 | 110 | 300 | R1/2 | 
| 50 | 133 | 280 | 120 | 310 | R1/2 | 
| 65 | 140 | 330 | 130 | 350 | R3/4 | 
| 80 | 168 | 340 | 140 | 400 | R3/4 | 
| 100 | 219 | 420 | 160 | 470 | R3/4 | 
| 150 | 273 | 500 | 190 | 620 | R3/4 | 
| 200 | 325 | 560 | 220 | 770 | R3/4 | 
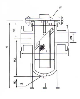
2.5MPa藍式過濾器外型連接尺寸:
	 
 
| DN | φ | L | H1 | H2 | H3 | H | W | 
| 100 | 219 | 420 | 160 | 310 | 120 | 590 | R3/4 | 
| 150 | 273 | 500 | 190 | 430 | 130 | 750 | R3/4 | 
| 200 | 325 | 560 | 220 | 550 | 150 | 920 | R3/4 | 
| 250 | 426 | 680 | 270 | 660 | 170 | 1100 | R3/4 | 
| 300 | 480 | 750 | 320 | 860 | 200 | 1380 | R1" | 
| 350 | 540 | 800 | 350 | 1030 | 200 | 1580 | R1" | 
	 
 
	



 
 
 
                                 
                                 
                                 
 
 
 
