 
                     GID電動高真空蝶閥
	


 
 
GID型電動高真空蝶閥概述
GID型電動高真空蝶閥是以電動裝置驅動閥桿與閥板執行啟閉動作。用于接通或切斷真空管路中的氣流。適用介質為純凈空氣和非腐蝕性氣體。
GID Electric High Vacuum Butterfly Valve
GID electric high vacuum butterfly valve uses electric device to drive the stem and disc to perform open and close action. It is used to put through or cut off the airflow in vacuum pipeline. Applicable medium can be pure air and noncorrosive gases.
主要技術性能
Main Technical Performance
| 適用范圍:Apply Range | 105~1.3×10-4Pa | 
| 閥門漏率:Valve Leak Rate | ≤1.3×10-4Pa.L/S. | 
| 適用溫度:Applicable Temperature | -25~+80℃(丁腈橡膠) -30~+150℃(氟橡膠) | 
| 電 源:Loop Temperature time | 220V/50Hz | 
| 安裝位置:Install the direction | 任意 | 
主要零件材料
Materials of Main Parts
	閥體、閥蓋、閥桿:碳鋼或不銹鋼
密封件:丁腈橡膠、氟橡膠。
Body, bonnet and stem: carbon steel or stainless steel
Sealing element: NBR, Viton
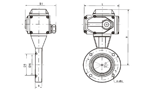
外形及連接尺寸(mm)
Overall and Connection Dimensions(mm)
	 
 
| 
					Model 型號 | 
					DN
				 | 
					D
				 | 
					Do
				 | 
					D1
				 | 
					B
				 | 
					H
				 | 
					B1
				 | 
					L
				 | 
					n-φc
				 | 
| 
					GID-40
				 | 
					40
				 | 
					85
				 | 
					70
				 | 
					44
				 | 
					22
				 | 
					183
				 | 
					139
				 | 
					157
				 | 
					4-φ7
				 | 
| 
					GID-50
				 | 
					50
				 | 
					110
				 | 
					90
				 | 
					55
				 | 
					22
				 | 
					195
				 | 
					139
				 | 
					157
				 | 
					4-φ7
				 | 
| 
					GID-65
				 | 
					65
				 | 
					125
				 | 
					105
				 | 
					70
				 | 
					26
				 | 
					203
				 | 
					139
				 | 
					157
				 | 
					4-φ9
				 | 
| 
					GID-80
				 | 
					80
				 | 
					145
				 | 
					125
				 | 
					85
				 | 
					30
				 | 
					213
				 | 
					139
				 | 
					157
				 | 
					4-φ9
				 | 
| 
					GID-100
				 | 
					100
				 | 
					170
				 | 
					145
				 | 
					105
				 | 
					30
				 | 
					231
				 | 
					139
				 | 
					157
				 | 
					4-φ12
				 | 
| 
					GID-150
				 | 
					150
				 | 
					220
				 | 
					195
				 | 
					156
				 | 
					35
				 | 
					251
				 | 
					139
				 | 
					157
				 | 
					8-φ12
				 | 
| 
					GID-200
				 | 
					200
				 | 
					275
				 | 
					250
				 | 
					208
				 | 
					40
				 | 
					315
				 | 
					147
				 | 
					207
				 | 
					8-φ12
				 | 
| 
					GID-250
				 | 
					250
				 | 
					330
				 | 
					300
				 | 
					258
				 | 
					45
				 | 
					343
				 | 
					147
				 | 
					207
				 | 
					8-φ14
				 | 
| 
					GID-300
				 | 
					300
				 | 
					380
				 | 
					350
				 | 
					308
				 | 
					55
				 | 
					368
				 | 
					147
				 | 
					207
				 | 
					8-φ14
				 | 
| 
					GID-400
				 | 
					400
				 | 
					500
				 | 
					465
				 | 
					408
				 | 
					60
				 | 
					451
				 | 
					182
				 | 
					256
				 | 
					8-φ18
				 | 
| 
					GID-500
				 | 
					500
				 | 
					600
				 | 
					565
				 | 
					510
				 | 
					80
				 | 
					535
				 | 
					182
				 | 
					280
				 | 
					12-φ18
				 | 
	 
 
	



 
 
 
                                 
                                 
                                 
 
 
 
 
 
 
 
